浮球式液位變送器說明書(防爆)
一、概述
UDM-20浮球式液位變送器適用于工業和民用建設水塔、水箱、集水坑和工業污水處理等部門。廣泛應用于煉油、化工、冶金、電力、造紙、食品及工業污水處理等部門。適用于各種液體介質:水、油、堿、酸、污水等導電及非導電液位。液位中假液位懸浮物對測量無影響。
UDM-20防爆式浮球液位變送器符合GB3836.1-2010《爆炸性環境 第1部分:設備 通用要求》、GB3836.2-2010《爆炸性環境 第2部分:由隔爆外殼“d”保護的設備》標準,防爆標志為Ex d ⅡC T4 Gb,適用于含有Ⅱ類A﹑B、C級T4~T6組可燃氣體或蒸氣與空氣形成的爆炸性混合物的1區﹑2區危險場所;有關技術資料、圖樣和樣機均經國家防爆電氣產品質量監督檢驗測試中心(CQST)審查檢驗合格。
本系列產品結構簡單、安裝方便、工作可靠,可現場就地顯示,并能輸出標準電流信號,傳輸距離達2公里。
二、主要技術指標
1、測量范圍:0-0.5m~0-4m
2、變送器精度:±1.5%(H>1.0m時),±2.5%(0.5m≤H≥1m)時
3、測量介質溫度:≤100℃
4、測量介質壓力:0-600KPa
5、測量介質比重:0.8-1g/cm3
6、使用環境條件:溫度-10-55℃,濕度≤95%,無強烈震動。
7、浮球:標準供貨Φ76,特殊供貨Φ120、Φ48
8、隔爆等級:Ex d ⅡC T4 Gb
三、結構組成與工作原理
UDM-20浮球式液位變送器由磁性浮球、測量導管、信號單元、電子單元、接線盒及安裝件等組成。見圖一

普通型 隔爆型
圖一 浮球液位計結構圖
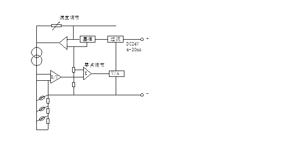
磁性浮球可漂于液面之上并沿測量導管上下浮動。導管內裝測量元件,在外磁場作用下產生正比于液位變化的電阻信號,經電子單元轉換成4-20mA或其它標準信號輸出(見圖二)。工藝設計中電子單元采用模塊電路、防潮、抗震、耐酸霉腐蝕。電路內設恒流反饋電路,供電電壓由DC24V±10%變化或負載電阻0-250Ω變化(4-20mA)時,誤差不大于0.5%(見圖三)。內部保護電路故障時輸出最大電流不超過28mA,能可靠保護電源和二次表不被損壞。

圖二 變送器電路原理圖

圖三 電源電壓與負載電阻的關系
四、變送器在系統測量中的接線
UDM-20變送器有很廣泛的配套性,可與各種接收電流電壓信號的二次儀表連接使用。(見圖四)


圖四 變送器與XDM-10液位指示控制儀配接,可省掉外部24VDC電源
五、變送器的現場安裝
1、安裝前檢查:
a、 參照圖四接通電流,用手動方式上下移動浮球,浮球移至最低端(靠近下限位圈),變送輸出為4mA;浮球移至最上端(靠近上限位圈)變送輸出為20mA,說明變送器輸出正常。
b、 隔爆型液位計適用于現場的防爆等級及溫度組別。
2.1 變送器傳輸電纜選擇三芯圓橡塑護套電纜,導線總電阻要求≤500Ω;電纜應通過匯線槽或保護管敷設,且不存在拉力;接線點應采用接線片形式,相應線頭及電纜切割處應整齊完好,接線完畢注意引線螺絲及接線盒應擰牢固,保證接線盒內的密封合格。
2.2 隔爆型在滿足2.1要求的同時必須做到以下五點:
a、隔爆型引入裝置為澆封型,傳輸電纜與電氣設備封灌一體,不具備足夠的夾緊措施,安裝時傳輸電纜的拉力和扭矩力會傳到連接件上,為確保密封性,安裝時必須距離變送器傳輸電纜0.5m處先夾緊固定,在鋪設余下的傳輸電纜。接線時按傳輸電纜接線標簽正確接線。
b、傳輸電纜從危險區過渡到非危險區時,確保電纜溝良好的通風或充足的充沙避免可燃性氣體或液體從危險區傳播到非危險區。
c、防爆場所使用的電纜不能有接頭,當不能避免時購買適用于場所防爆型式的外殼進行連接。
d、開蓋時必須“斷電源后開蓋”。
e、接線盒蓋擰緊同時緊固防止隔爆接合面螺紋自動脫落的緊固螺絲。
3、液位變送器應根據具體使用條件,選擇合理的安裝方式:
a、安裝時應由兩人或兩人以上合作完成。較長的測量導桿安裝時應尤其注意避免彎曲和顛震,以防損壞內部測量元件。
b、隔爆型安裝時根據現場情況,采取保護防范措施,嚴格按照GB3836.15的要求規范安裝。
4、防爆注意事項
a 內、外接地務必可靠。
b 經檢驗合格的產品,不允許隨意更換元器件或改變結構,以免影響防爆性能。
c 維修保養時,注意保護隔爆面,所有隔爆面不得有損壞或銹蝕。
d O型圈、緊固件如有損壞,應及時更換。
e 嚴禁帶電開蓋。
f 非專業人員不得隨意安裝、拆卸 。
g 更換內部元件后,恢復密封圈到原位,擰緊盒蓋。
h 安裝填料函式引入裝置式,應將電纜線撥開,分開用環氧樹脂澆封,澆封長度大于20毫米,然后壓緊壓緊螺母。
i 預留電纜長度須大于1米,電纜自由端應置于與環境相適應的設備內。
六、訂貨與驗收
1、用戶訂貨時請注明:
1) 所需要液位變送器的有關尺寸L/H值,特殊要求可在附注中說明,無特殊說明,按標準供貨:Ф76球、DN80PN1.0法蘭。
2) 隔爆型引入裝置為澆封型,需注明傳輸電纜長度(防爆現場傳輸電纜要求不能有中間接頭),出廠時與變送器封灌一體。當不能避免時在適應于場所防爆型式的外殼內進行。
2、收到貨后請及時開箱驗收,檢查緊固件應牢固無松動,特別注意安裝件及限位圈應牢固。
3、按裝箱單所列項目清點附件及資料,對遇到的問題請及時與本公司經營部聯系,以得到盡快解決。
七、保養、維修
1.儀表運行時:
a、注意檢查引線螺絲處電源引線及接線盒處于密封狀態;檢查浮球能正常浮動。
b、隔爆型檢查時注意采取保護防范措施,嚴格按照GB3836.15的要求規范操作。
2.長期停放的儀表,注意保護接線盒處于密封狀態,保護導桿不被擠、壓、折彎。
3.儀表保修期為一年,保修期內由于現場使用不當引起的儀表返修,只收取工本費;由于儀表本身質量原因引起的返修,免費修復。
八、常見故障現象及排除方法
序號 | 故障現象 | 原因分析 | 排除方法 |
1 | 輸出值低于4mA不隨液位變化(0mA<輸出值<4mA) | 電路損壞 | 接模擬電阻信號檢查并更換 |
2 | 輸出值低于4mA不隨液位變化(輸出值等于0mA) | 1.沒有供電電壓 2.電路損壞 | 1.檢查并接通電源線 2.接模擬電阻信號檢查并更換 |
3 | 輸出值為固定值不隨液位變化 | 1.測量芯子舌簧管碎 2.浮球卡住 3.電路損壞 | 1.檢查并更換 2.檢查并排除 3.接模擬電阻信號檢查并更換 |
4 | 輸出值上下波動不穩定,幅度較大 | 1.測量芯子相對導桿絕緣電阻低于200MΩ 2.電源線接觸不良 | 1.檢查并排除 2.檢查并排除 |
5 | 輸出值超出20mA不隨液位變化 | 1.測量芯子引線短路 2.電路損壞 | 1.檢查斷路處并接好 2.接模擬電阻信號檢查并更換 |